
XK4緊湊型高壓負荷開關為通用型負荷開關,用于戶內設備。產品符合DIN VDE 0670-301,VDE0670-303和IEC60265-1. 這個開關可適用于以下情況: 負載和空載變壓器,電容組,電線電纜,架空線纜,空載和負載的環網。 當開關分閘的時候,XK4負荷開關有明顯的可視的絕緣斷口,符合VDE0670-2標準。 開關觸頭和操作機構經過縝密的設計,使得產品具備快速分斷的速度和高強度的短路關合能力。在開關性能范圍內的任何短路電流下,開關或者其他 設備都不會損壞。
技術參數
XK4技術參數
額定電壓 |
|
| kV | 12 | 17.5 | 24 | |
|
| 額定工頻耐壓 | kV | 28/32 | 38/45 | 50/60 | |
|
|
| |||||
額定絕緣水平 |
|
|
|
|
| ||
|
|
|
|
|
|
| |
|
| 額定雷電沖擊耐壓 |
| 75/85 | 95/100 | 125/145 | |
|
| kV | |||||
| |||||||
|
|
|
|
| |||
|
|
|
|
|
|
|
|
額定頻率 |
|
| Hz | 50/60 | 50/60 | 50/60 | |
|
|
|
|
|
|
|
|
額定電流 |
|
| A | 400/630/1250 | 400/630 | 400/630 | |
|
|
|
|
|
|
|
|
額定短路關合電流 |
| 負荷開關 | kA | 63 | 50 | 40 | |
| 接地開關 | kA | 63 | 50 | 40 | ||
|
|
|
|
|
|
|
|
額定短時耐受電流 |
| 負荷開關 | kA | 25 | 20 | 16 | |
|
|
|
|
|
| ||
|
| 接地開關 | kA | 25 | 20 | 16 | |
|
|
|
|
|
|
| |
額定短路耐受時間 | S | 3 | 3 | 3 | |||
|
|
|
|
|
|
| |
額定負載開斷電流 | A | 400/630/1250 | 400/630. | 400/630 | |||
|
|
|
|
|
|
| |
額定閉環電流 | A | 400/63/1250 | 400/630 | 400/630 | |||
|
|
|
|
|
|
| |
額定電纜充電電流 | A | 25 | 25 | 25 | |||
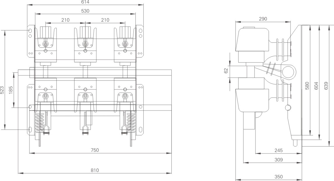
外形尺寸圖
Copyright ? 浙江西開電氣有限公司 備案號: 技術支持:鼎諾傳媒