
VBI/R-12型側裝式真空斷路器采用固定安裝,主要用于固定開關柜,該斷路器可單獨使用,更適用于環網供電、箱變或各種非標供電系統。
技術參數
VBI/R-12技術參數 |
|
|
|
| ||
額定電壓 | kV |
| 12 |
| ||
額定頻率 | Hz |
| 50 |
| ||
額定絕 | 1min工頻耐壓(有效值)(相間、相對地、真空斷口) | kV |
|
|
| |
|
|
|
| 42 |
| |
緣水平 |
|
|
|
|
| |
| 雷電沖擊耐壓(峰值)(相間、相對地、真空斷口) |
|
|
|
| |
| kV |
| 75 |
| ||
額定電流 | A | 630 | 630 | 1250 | ||
|
| 1250 | 1250 | 1600 | ||
額定短路開斷電流 |
| 20 | 25 | 31.5 | ||
額定短時耐受電流(額定短時熱穩定電流) |
| 20 | 25 | 31.5 | ||
額定短路關合電流 | kA | 50 | 63 | 80 | ||
額定峰值耐受電流(額定動穩定電流) |
| 50 | 63 | 80 | ||
異相接地故障開斷電流 |
| 17.4 | 21.75 | 27.4 | ||
額定短路持續時間(額定熱穩定時間) ) | s |
| 4 |
| ||
額定操作順序 |
| 分-0.3s-合分-180s-合分分 Score - 0.3s - score - 180s - score | ||||
額定短路開斷電流開斷次數 | 次 Times |
| 30 |
| ||
額定電纜充電開斷電流 |
|
| 25 |
| ||
額定單個電容器組開斷電流 | A |
| 630 |
| ||
額定背對背電容器組開斷電流 |
|
| 400 |
| ||
機械壽命 | 次 Times |
| 10000 |
| ||
動靜觸頭允許磨損累積厚度 | mm |
| 3 | |||
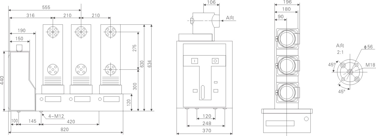
外形尺寸圖
Copyright ? 浙江西開電氣有限公司 備案號: 技術支持:鼎諾傳媒