
GW5-40.5系列戶外高壓交流隔離開關(以下簡稱“隔離開關”),是頻率為50Hz的戶外高壓電器設備,供高壓線路在有電壓無負載情況下進行換接,以及 對被檢修的高壓母線、斷路器等電器設備與帶電的高壓線路進行電氣隔離之用,也可用于分、合很小的電容電流和電感電流。 隔離開關符合GB 1985-2014《高壓交流隔離開關和接地開關》、DL/T 486-2010《高壓交流隔離開關和接地開關》等技術標準。
技術參數
GW5-40.5W技術參數 |
|
|
|
|
|
|
| |
額定電壓 | kV |
| 40.5 |
|
| |||
額定頻率 | H |
| 50 |
|
| |||
額定電流 | A | 630 |
| 1250 |
| 2000 | ||
額定短時耐受電流 | kA | 20/25 |
| 25/31.5 |
| 31.5 | ||
額定短時耐受電流(峰值) | kA | 50/63 |
| 63/80 |
| 80 | ||
|
|
| 95/1(相間、對地、干試) | |||||
額定短時工頻耐受電壓 | kV/min |
|
|
|
|
|
| |
|
| 118/1(相間、對地、干試) | ||||||
|
| 95/1(相間、對地、濕試) | ||||||
額定雷電沖擊耐受電壓 | kV |
|
| 185/1(對地) |
| |||
|
|
|
| 215(斷口) |
| |||
額定短時耐受電流持續時間 | S |
| 4(隔離開關) |
| ||||
|
|
| 2(接地開關) |
| ||||
爬電距離 | mm | ≥1256(e級防污) Class e antifouling |
| |||||
主回路電阻 | μΩ | ≤100 |
|
|
| ≤80 |
| |
|
|
| CS17-G5(不帶接地開關) Without grounding switch | |||||
| 人力操作機構 |
| 主刀CS17-G5、地刀CS17-G2(帶單/雙接地開關) | |||||
配用操作機構 |
|
| Main knife Cs17-G5, ground knife Cs17-G2 (with single/double earthing switch) | |||||
Operating mechanism |
|
| CJ6型,電動機電壓AC380V或DC220V、控制電壓AC220V | |||||
| 電動機操作機構 |
| 或DC220V,輔助接點8常開8常閉(標配) |
| ||||
機械壽命 | 次 |
|
| 2000(隔離開關接地開關) |
| |||
注:若海拔高于1000m,則額定絕緣水平應進行相應修正。
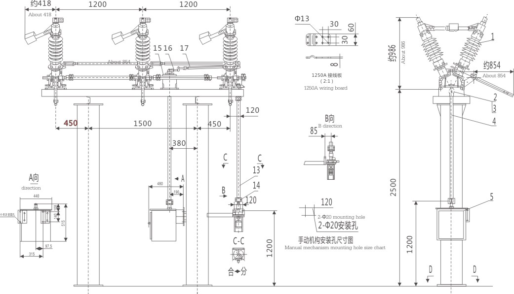
?外形尺寸圖
Copyright ? 浙江西開電氣有限公司 備案號: 技術支持:鼎諾傳媒